

Diamond & CBN Grinding Wheels For Internal & Tools Grinding Wheels
Vitrified & Resinoid CBN internal points are used for internal grinding and jig grinding of high speed steel, hardened alloy steel & etc.
Vitrified & Resinoid CBN Internal Points![]() |
![]() |
![]() |
![]() |
![]() |
![]() |
Vitrified CBN Internal Points - Specifications:
| Order no. | Type | ØD | T | X | N | L | ØB | Grit Size |
| VIP-3040C | A | 4.0 | 6 | 1.0 | 12 | 60 | 3 | #200 |
| VIP-3050C | A | 5.0 | 6 | 1.5 | 12 | 60 | 3 | #200 |
| VIP-3060C | A | 6.0 | 6 | 2.0 | 12 | 60 | 3 | #200 |
| VIP-3080C | A | 8.0 | 8 | 3.0 | 12 | 60 | 3 | #200 |
| VIP-6100C | B | 10.0 | 8 | 2.0 | - | 80 | 6 | #200 |
| VIP-6120C | B | 12.0 | 10 | 3.0 | - | 80 | 6 | #200 |
| VIP-8140C | B | 14.0 | 12 | 3.0 | - | 80 | 8 | #200 |
| VIP-6140C | B | 14.0 | 12 | 4.0 | - | 80 | 6 | #200 |
| VIP-8160C | B | 16.0 | 12 | 4.0 | - | 80 | 8 | #200 |
| VIP-6160C | B | 16.0 | 12 | 5.0 | - | 80 | 6 | #200 |
| VIP-8180C | B | 18.0 | 12 | 5.0 | - | 80 | 8 | #200 |
| VIP-6180C | B | 18.0 | 12 | 6.0 | - | 80 | 6 | #200 |
Resinoid CBN Internal Points - Specifications:
| Order no. | Type | ØD | T | X | N | L | ØB | Grit Size |
| RIP-3040C | A | 4.0 | 5 | 1.0 | 12 | 45 | 3 | #200 |
| RIP-3045C | A | 4.5 | 6 | 1.25 | 12 | 45 | 3 | #200 |
| RIP-3050C | A | 5.0 | 6 | 1.5 | 12 | 45 | 3 | #200 |
| RIP-6060C | A | 6.0 | 6 | 2.0 | 15 | 80 | 6 | #150 |
| RIP-6070C | A | 7.0 | 8 | 2.5 | 15 | 80 | 6 | #150 |
| RIP-6080C | A | 8.0 | 8 | 3.0 | 20 | 80 | 6 | #150 |
| RIP-6100C | A | 10.0 | 10 | 2.0 | 20 | 80 | 6 | #150 |
| RIP-6120C | B | 12.0 | 10 | 3.0 | - | 80 | 6 | #150 |
| RIP-6140C | B | 14.0 | 10 | 4.0 | - | 80 | 6 | #150 |
| RIP-6160C | B | 16.0 | 10 | 4.0 | - | 80 | 6 | #150 |
| RIP-6180C | B | 18.0 | 10 | 5.0 | - | 80 | 6 | #150 |
| RIP-6200C | B | 20.0 | 10 | 6.0 | - | 80 | 6 | #150 |
* Grit size in the above table is standard for that item, others are available upon request.
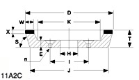
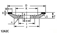
Basic Shape of Grinding Wheels
Resin Bond & Vitrified Bond![]() |
![]() |
![]() |
![]() |
![]() |
![]() |
![]() |
![]() |
![]() |
![]() |
![]() |
![]() |
![]() |
![]() |
![]() |
![]() |
![]() |
![]() |
![]() |
![]() |
![]() |
* Special size can be customized on request.
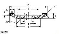
Special Shape of Grinding Wheels
Resin Bond & Vitrified Bond![]() |
![]() |
![]() |
![]() |
![]() |
![]() |
![]() |
The wheels are for generating and re-grinding cutting edges of tungsten carbide cutting tools, drills, end mills, reamers, milling cutters, compact cutting tools, etc. To meet the shapes of tool cutting edges to machine, various wheels are prepared.
* Special size can be customized on request.
Other Products






































