Diamond Dresser Tools
Single Point Diamond Dressers
![]() |
![]() |
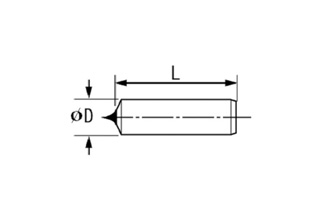
| Order no. | ØD | L | Approx. wt. Carat |
| SP6025 | 6 | 100 | 0.25 |
| SP6050 | 6 | 100 | 0.5 |
| SP6075 | 6 | 100 | 0.75 |
| SP6100 | 6 | 100 | 1.0 |
| SP1025 | 10 | 100 | 0.25 |
| SP1050 | 10 | 100 | 0.5 |
| SP1075 | 10 | 100 | 0.75 |
| SP10100 | 10 | 100 | 1.0 |
| SP1225 | 12 | 100 | 0.25 |
| SP1250 | 12 | 100 | 0.5 |
| SP1275 | 12 | 100 | 0.75 |
| SP12100 | 12 | 100 | 1.0 |
| SP12150 | 12 | 100 | 1.5 |
| SP12200 | 12 | 100 | 2.0 |
Installation and operation
![]() |
![]() |
![]() |
![]() |
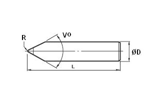
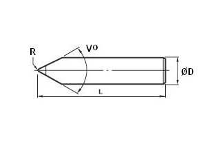
Coned Diamond Dressers
![]() |
![]() |
| Order no. | ØD | L | V° | R |
| CD3000 | 3 | 50 | 60° | 0.02~0.03 |
| CD6000 | 6 | 50 | 60° | 0.02~0.03 |
Impregnated Diamond Dressers
![]() |
|
||||||||
Grit size: F – Fine M – Medium R – Coarse
Other Products




















